Doporučujeme dokúpiť
Popis produktu
TOPWET - TW TWO
Strešný odvetrávací komín TOPWET je určený na odvetranie strešných skladieb, kanalizačných systémov alebo vetracích priestorov v plochých strechách. Vďaka integrovanej manžete je možné komínek bezpečne a tesne napojiť na hydroizolačnú vrstvu z PVC, TPO, FPO alebo bitúmenových membrán (podľa verzie).
Komín je vybavený ochrannou dažďovou krytkou, ktorá zabraňuje vnikaniu vody a nečistôt. Zároveň podporuje plynulé prúdenie vzduchu.
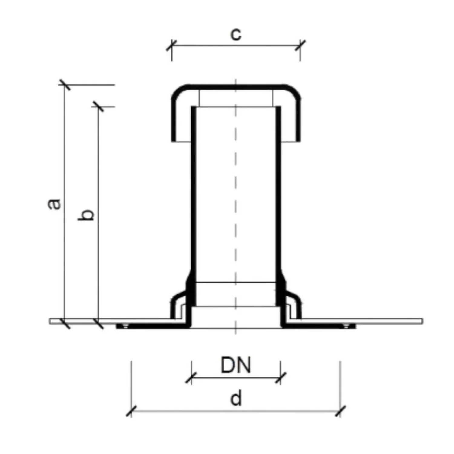
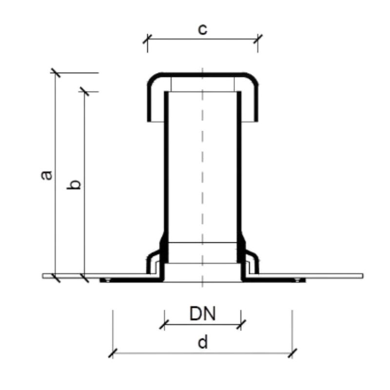
Štandardná výška odvetrávacieho komína je 300 mm, no na zákazku je možnosť predĺženia až na 500 mm, čo umožňuje prispôsobiť ho špecifickým podmienkam strechy alebo požiadavkám projektu.
Pri bitúmenovej manžete sa dodáva v čiernej farbe, na objednávku aj v bielej, takže je možné ho zladiť s farbou strešnej vrstvy.
Pri PVC a TPO/FPO manžete sa dodáva v bielej farbe, na objednávku aj čiernej.
Materiál manžety:
- bitúmen - modifikovaný asfaltový pás
- hydroizolačná fólia PVC
- hydroizolačná fólia TPO (FPO)

| Typ | DN | Prierez (cm2) | Rozmery (mm) | |||
| a | b* | c | d | |||
| TWO 50 | 50 | 15 | 360 | 332 | 110 | 250 |
| TWO 75 | 70 | 37 | 360 | 332 | 110 | 250 |
| TWO 110 | 100 | 85 | 360 | 332 | 160 | 250 |
| TWO 125 | 125 | 111 | 360 | 332 | 160 | 250 |
| * na objednávku možnosť predĺženia až do 500 mm | ||||||
V prípade záujmu o strešné vpuste s manžetou TPO/FPO - napíšte do poznámky, akú fóliu máte (Thermoplan, Thermofin, Sika...), podľa toho musí byť potom vyrobená manžeta.
Použitie
- Odvetranie strešnej konštrukcie plochých striech
- Odvetranie kanalizačných rozvodov (stúpačky)
- Odvetranie podstrešných alebo dutých priestorov
- Použitie pri bitúmenových aj fóliových hydroizoláciách (podľa typu komínka)
- Novostavby aj rekonštrukcie plochých striech
Benefity
- Integrovaná manžeta pre maximálnu tesnosť prestupu
- Dažďová krytka ako ochrana pred vodou a nečistotami
- Štandardná výška 300 mm – možnosť predĺženia až na 500 mm
- Odolné prevedenie vhodné do exteriéru
- Výber farby: čierna (štandard) / biela (na objednávku)
- Spoľahlivé odvetranie strešného systému alebo kanalizácie
- Overený výrobok TOPWET – profesionálne riešenie pre ploché strechy
Technická špecifikácia
| Výrobca | TOPWET |
| Výrobok | Odvetrávací komín |
| Materiál komína | PA6 |
| Materiál manžety |
Bitúmen - modifikovaný asfaltový pás Strešná fólia PVC Strešná fólia TPO/FPO |
| Výška | 300 mm |
| Farba komína |
Biela (PVC a TPO) Čierna (bitúmen) |
| Farba manžety |
Svetlá sivá (PVC a TPO) Čierna (bitúmen) |
Základné parametre
Na stiahnutie
Kontakt
Máte otázky ohľadom tohto produktu?
Kontaktujte nás.
0914 223 322
[email protected]
Pondelok - Piatok: 7:00 - 15:30
Pozrite si naše recenzie
Recenzie
Pre tento produkt neboli pridané žiadne recenzie.